南京南山主營的NSCN品牌NSD-MBS和DBS系列貼片整流橋堆,是由4個整流二極管按橋式全波整流電路的形式連接并封裝,屬于全橋。有四個引出腳,兩只二極管負極的連接點是全橋直流輸出端的“正極”,另外兩只二極管正極的連接點是全橋直流輸出端的“負極”。
反向重復峰值電壓范圍:50V~1000V,平均整流輸出電流0.8A~1.5A;正向不重復浪涌電流30A(60Hz正弦波,一個周期,Tj=25℃)。具體參數詳見規格書或咨詢在線客服。
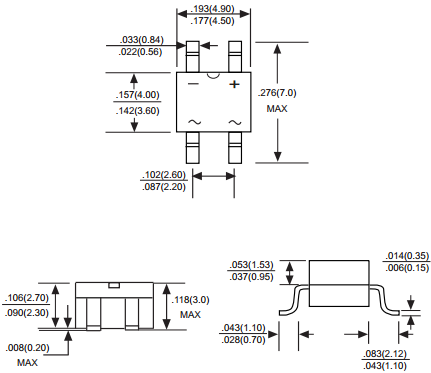
NSD-MBS整流橋堆
外形圖示和尺寸:

額定值:
:Type |
VRRM |
I(AV) |
IFSM |
VF@IF |
IR |
Package |
|
V |
A |
A |
V |
A |
μA |
||
NSD-MB2S |
200 |
0.5/0.8 |
30 |
1 |
0.4 |
5 |
MBS |
NSD-MB4S |
400 |
||||||
NSD-MB6S |
600 |
||||||
NSD-MB8S |
800 |
||||||
NSD-MB10S |
1000 |
||||||
極限值(絕對最大額定值)
參數名稱 |
符號 |
單位 |
條件 |
MB |
||||||
1S |
2S |
4S |
6S |
8S |
10S |
|||||
反向重復峰值電壓 |
VRRM |
V |
|
100 |
200 |
400 |
600 |
800 |
1000 |
|
平均整流輸出電流 |
IO |
A |
60Hz正弦波,電阻負載,TA=25℃ |
安裝在氧化鋁基板上 |
0.8 |
|||||
安裝在玻璃-環氧基板上 |
0.5 |
|||||||||
正向(不重復)浪涌電流 |
IFSM |
A |
60Hz正弦波,一個周期,Tj=25℃ |
30 |
||||||
正向浪涌電流的平方對電流浪涌持續時間的積分值 |
I2t |
A2S |
1≤t<8.3ms Tj=25℃ 單個二極管 |
3.7 |
||||||
存儲溫度 |
Tstg |
℃ |
|
-55~+105 |
||||||
結溫 |
Tj |
℃ |
|
-55~+105 |
||||||
NSD-DBS貼片整流橋
額定值:
Type |
VRRM |
I(AV) |
IFSM |
VF@IF |
IR |
Package |
|
V |
A |
A |
V |
A |
μA |
||
NSD-DB101S |
50 |
1 |
50 |
1.1 |
1 |
5 |
DBS |
NSD-DB102S |
100 |
||||||
NSD-DB103S |
200 |
||||||
NSD-DB104S |
400 |
||||||
NSD-DB105S |
600 |
||||||
NSD-DB106S |
800 |
||||||
NSD-DB107S |
1000 |
||||||
NSD-DB151S |
50 |
1.5 |
1.5 |
10 |
|||
NSD-DB152S |
100 |
||||||
NSD-DB153S |
200 |
||||||
NSD-DB154S |
400 |
||||||
NSD-DB155S |
600 |
||||||
NSD-DB156S |
800 |
||||||
NSD-DB157S |
1000 |
||||||


公安備案號32010402000033