32.768khz晶振廣泛使用在各類計時模塊中,目前仍以無源晶振為主。對于要求更高的客戶,EPSON更提供32.768khz有源晶振和實時時鐘模塊兩類產品。
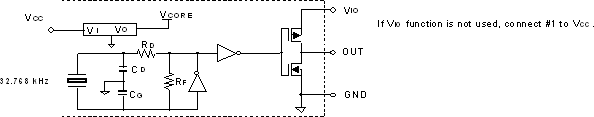
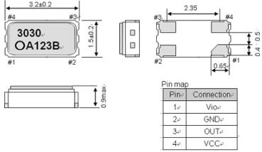
SG-3030CM就是其中的一款3215小尺寸石英晶體振蕩器,通過C-MOS IC 的使用可降低功耗,控制Vio擺動幅度,實現5ppm±23ppm的高精度。下面的表格中列出了其他幾款同類產品,主要差別在外部尺寸不同。


| 北美編碼 | 產品編碼 |
| SG-3030CM 32.7680KB3:ROHS | X1B000211000100 |
| SG-3030JC 32.7680KB3:ROHS | Q3102JC02000100 |
| SG-3030JF 32.7680KB3:ROHS | Q3102JF02000100 |
| SG-3030LC 32.7680KB3:ROHS | Q3102LC02000100 |
| SG-3040JC 32.7680KB3:ROHS | Q3103JC01000100 |
| SG-3040LC 32.7680KB3:ROHS | Q3103LC02000200 |




32.768 kHz晶振廣泛應用在時鐘或副時鐘(休眠、定時)等方面,是驅動和控制電子設備所不可或缺的元器件,在電腦、智能手機、數碼相機和平板電腦等移動...
標稱頻率32.768khz的FC-12D時鐘晶振,是一款無源四腳晶振(晶體諧振器)。這區別于愛普生絕大部分32.768khz音叉晶振了。同時,FC-12D厚度僅0.35mm,是一款可以使...
愛普生32.768khz晶振代理商-南山電子(NSCN)現貨提供貼片時鐘晶振MC-146 32.7680KA-AG5,可供快速樣品。主要參數為32.768khz,SMD7015,9pF,20ppm。現貨15位產品編碼...
FC1610AN是一款愛普生目前批量投產型號中最小的一款32.768khz 1610貼片晶振,屬于無源音叉晶振。目前可以批量提供的標準料號是X1A0001210008,負載電容7PF。其...
愛普生2016貼片晶振fa-128系列是一款MHz級AT切割方式的無源晶振(晶體諧振器)。具有尺寸小,功耗低,頻率穩定性好等特點。愛普生官方網站代理商-南山電...
總機:025-52188228(10線)
傳真:025-84710486
直線:025-84712762,84712745,84710496
E-MAIL:NJ@nscn.com.cn
網址:http://www.gshzhusha.com
南京:秦淮區洪武路26號天豐大廈11層
深圳:福田區中航路都會電子大廈B座22層
杭州:杭州市西湖區瑞博國際科技大廈B座
上海:浦東新區德州路214號
香港:永樂街177號永德商業中心12樓9-10A室
